- Какие бывают
- Схемы блоков питания
- Простой лабораторный
- Двухполярный источник питания
- Лабораторный импульсный бп
- Основные узлы регулируемого блока питания
- Как подобрать компоненты
- Лабораторный блок питания — пошаговая сборка
- Шаг. 1 Установка элементов, отвечающих за регулировку напряжения
- Шаг. 2 Установка конденсаторов фильтра
- Шаг. 3 Подключение силовых транзисторов
- Шаг. 4 Балансировка транзисторов
- Шаг. 5 Подключение питания для ОУ и периферии
- Шаг. 6 Установка операционного усилителя и элементов стабилизации тока
- Как собрать лабораторный блок из китайских модулей
- Как повысить прочность, надежность
- Советы по оформлению корпуса
- Помехи
- Плюсы и минусы
- Фото лабораторных блоков питания своими руками
Какие бывают

Чтобы не допустить ошибки при выборе, необходимо четко и ясно понимать суть определений и видеть между ними разницу. Разберемся, в чем отличие лабораторных от обычных блоков питания, и что такое источник питания вообще:
- Простой блок питания – устройство электронного типа, используемое с целью сформировать заранее заданный показатель в одном или нескольких каналах. Отсутствует дисплей и блок управления. Типичным представителем является БП для компьютера небольшой мощности.
- Лабораторный БП регулярно формирует поток по одному или нескольким каналам. Оснащен дисплеем, защитой от некорректного использования, элементами управления, другим полезным функционалом.
Понятие «лабораторный источник питания» идентично словосочетанию «лабораторный блок питания».
Виды источников питания таковы:
- первичные;
- вторичные.
Представители первого варианта осуществляют преобразование неэлектрических видов энергии в электрическую. К ним относятся батарейки, солнечные батареи, ветрогенераторы и многое другое. Вторичные ИП служат для преобразования одного вида электроэнергии в другой с целью обеспечить желательные параметры частоты, пульсаций и тому подобное. К этой группе относятся:
- преобразователь АС/DC;
- преобразователь DC/DC;
- трансформаторы;
- стабилизаторы потоков;
- ЛБП.
Касательно лабораторных блоков питания, они разнятся характеристиками и разновидностями. Остановимся на этом вопросе более подробно:
РазличияОписание
| По принципу функционирования | Импульсные и линейные. |
| Рабочие диапазоны | Наличие автоматического ограничения мощности или фиксированные. |
| Количеством каналов | Многоканальные и одноканальные. |
| Наличием защиты | С функцией защиты от перегрева, перепадов, от перегрузки по току и так далее. |
| Мощностью | Значительной мощности или стандартные. |
| Способами изоляции каналов | Неизолированные или изолированные гальваническим путем. |
| Выходным сигналом | Переменным или постоянным напряжением и током. |
| Способами управления | Программное наряду с ручным или просто ручное. |
| Дополнительным функционалом | Наличие встроенного презиционного мультиметра, доводит до нужного уровня потоки в проводах подключения, изменяет выход установленных значений, активизирует выход по таймеру, присутствие встроенной электронной нагрузки и так далее. |
| Степенью надежности | Продуманный внешний вид, качественность элементной базы, тщательный выходной контроль. |
Схемы блоков питания
Напряжение лабораторного БП располагается в интервале от 0 до 35 вольт. Для этой цели подходят схемы, по которым можно собрать следующие БП:
- однополярный;
- двуполярный;
- лабораторный импульсный.
Конструкции подобных устройств обычно собраны либо на обычных трансформаторах напряжения (ТН), либо на импульсных трансформаторах (ИТ).
Внимание! Отличие ИТ от ТН в том, что на обмотки ТН подается синусоидальное переменное напряжение, а на обмотки ИТ приходят однополярные импульсы. Схема включения обоих абсолютно идентична.
Простой лабораторный
Однополярный БП с возможностью регулировать выходное напряжение можно собрать по схеме, в которую входят:
- понижающий трансформатор Tr ( 220/12…30 В);
- диодный мост Dr для выпрямления пониженного переменного напряжения;
- электролитический конденсатор С1 (4700 мкФ*50В) для сглаживания пульсации переменной составляющей;
- потенциометр для регулировки выходного напряжения Р1 5 кОм;
- сопротивления R1, R2, R3 номиналом 1кОм, 5,1 кОм и 10 кОм, соответственно;
- два транзистора: Т1 КТ815 и Т2 КТ805, которые желательно установить на теплоотводы;
- для контроля напряжения на выходе устанавливают цифровой вольтамперметр, с интервалом измерений от 1,5 до 30 В.
В коллекторную цепь транзистора Т2 включены: С2 10 мкф * 50 В и диод Д1.
К сведению. Диод устанавливают для защиты С2 от переполюсовки при подключении к аккумуляторам для подзарядки. Если такая процедура не предусмотрена, можно заменить его перемычкой. Все диоды должны выдерживать ток не менее 3 А.
Двухполярный источник питания
Для питания усилителей низкой частоты (УНЧ), имеющих два “плеча” усиления возникает необходимость в применении двухполярного БП.
Важно! Если монтировать лабораторный БП, стоит остановить внимание именно на аналогичной схеме. Источник питания должен поддерживать любые форматы выдаваемого постоянного напряжения.
Для такой схемы допустимо применять трансформатор с двумя обмотками на 28 В и одной на 12 В. Первые две – для усилителя, третья – для питания охлаждающего вентилятора. Если таковой не окажется, то достаточно двух обмоток равного напряжения.
Для регулировки выходного тока применены наборы резисторов R6-R9, подключаемые с помощью сдвоенного галетного переключателя (5 положений). Резисторы подбирают такой мощности, чтобы они выдерживали ток более 3 А.
Внимание! Установленные светодиоды гаснут при срабатывании защиты по току, если он превышает значение 3 А.
Переменный резистор R нужно брать сдвоенный номиналом 4.7 Ом. Так проще осуществлять регулировку по обоим плечам. Стабилитроны VD1 Д814 соединены последовательно для получения 28 В (14+14).
Для диодного моста можно взять диоды подходящей мощности, рассчитанные на ток до 8 А. Допустимо устанавливать диодную сборку типа KBU 808 или аналогичную. Транзисторы КТ818 и КТ819 необходимо установить на радиаторы.
Подбираемые транзисторы должны иметь коэффициент усиления от 90 до 340. БП после сборки не требует специальной наладки.
Лабораторный импульсный бп
Отличительной чертой ИПБ является рабочая частота, которая в сто раз выше частоты сети. Это дает возможность получить большее напряжение при меньшем количестве витков обмотки.
Информация. Чтобы получить 12 В на выходе ИПБ с током 1 А для сетевого трансформатора достаточно 5 витков при сечении провода 0,6-0,7 мм.
Простой полярный ИП можно собрать, используя импульсные трансформаторы от компьютерного БП.
Данный источник питания собран на микросхеме TL494.
Важно! Для управления Т3 и Т4 используется схема, в которую входит управляющий Тr2. Это связано с тем, что встроенные ключевые элементы микросхемы не имеют достаточной мощности.
Трансформатор Тr1 (управляющий) берут от компьютерного БП, он «раскачивается» при помощи транзисторов Т1 и Т2.
Особенности сборки схемы:
- для минимизации потерь при выпрямлении используют диоды Шоттки;
- ESR электролитов в фильтрах на выходе должен быть как можно ниже;
- дроссель L6 от старых БП применяют без изменения обмоток;
- дроссель L5 перематывают, намотав на ферритовое кольцо медный провод диаметром 1,5 мм, набрав 50 витков;
- Т3, Т4 и D15 крепят на радиаторы, предварительно отформатировав выводы;
- для питания микросхемы, управления током и напряжением применяют отдельную схему на Tr3 BV EI 382 1189.
Вторичная обмотка выдает 12 В, которые выпрямляются и сглаживаются при помощи конденсатора. Микросхема линейного стабилизатора 7805 стабилизирует его до 5 В для питания схемы индикации.
Внимание! Допустимо использовать в этом БП любую схему вольтамперметра. В таком случае микросхема для стабилизации 5 В не понадобится.
Основные узлы регулируемого блока питания
Трансформаторный источник питания в большинстве случаев выполняется по следующей структурной схеме.

Узлы трансформаторного БП.
Понижающий трансформатор снижает напряжение сети до необходимого уровня. Полученное переменное напряжение преобразуется в импульсное с помощью выпрямителя. Выбор его схемы зависит от схемы вторичных обмоток трансформатора. Чаще всего применяется мостовая двухполупериодная схема. Реже – однополупериодная, так как она не позволяет полностью использовать мощность трансформатора, да и уровень пульсаций выше. Если вторичная обмотка имеет выведенную среднюю точку, то двухполупериодная схема может быть построена на двух диодах вместо четырех.

Двухполупериодный выпрямитель для трансформатора со средней точкой.
Если трансформатор трехфазный (и имеется трехфазная цепь для питания первичной обмотки), то выпрямитель можно собрать по трехфазной схеме. В этом случае уровень пульсаций наиболее низок, а мощность трансформатора используется наиболее полно.
После выпрямителя устанавливается фильтр, который сглаживает импульсное напряжение до постоянного. Обычно фильтр состоит из оксидного конденсатора, параллельно которому ставится керамический конденсатор малой емкости. Его назначение – компенсировать конструктивную индуктивность оксидного конденсатора, который изготовлен в виде свернутой в рулон полоски фольги. В результате получившаяся паразитная индуктивность такой катушки ухудшает фильтрующие свойства на высоких частотах.
Далее стоит стабилизатор. Он может быть как линейным, так и импульсным. Импульсный сложнее и сводит на нет все преимущества трансформаторного БП в нише выходного тока до 2..3 ампер. Если нужен выходной ток выше этого значения, проще весь источник питания выполнить по импульсной схеме , поэтому обычно здесь используется линейный регулятор.
Выходной фильтр выполняется на базе оксидного конденсатора относительно небольшой емкости.

Обобщенная блок-схема импульсного БП.
Импульсные источники питания строятся по другому принципу. Так как потребляемый ток имеет резко несинусоидальный характер, на входе устанавливается фильтр. На работоспособность блока он не влияет никак, поэтому многие промышленные производители БП класса Эконом его не ставят. Можно не устанавливать его и в простом самодельном источнике, но это приведет к тому, что устройства на микроконтроллерах, питающиеся от той же сети 220 вольт, начнут сбоить или работать непредсказуемо.
Дальше сетевое напряжение выпрямляется и сглаживается. Инвертор на транзисторных ключах в цепи первичной обмотки трансформатора создает импульсы амплитудой 220 вольт и высокой частотой – до нескольких десятков килогерц, в отличие от 50 герц в сети. За счет этого силовой трансформатор получается компактным и легким. Напряжение вторичной обмотки выпрямляется и фильтруется. За счет высокой частоты преобразования здесь могут быть использованы конденсаторы меньшей емкости, что положительно сказывается на габаритах устройства. Также в фильтрах высокочастотного напряжения становится целесообразным применение дросселей – малогабаритные индуктивности эффективно сглаживают ВЧ пульсации.
Регулирование напряжения и ограничение тока выполняется за счет цепей обратной связи, на которые подается напряжение с выхода источника. Если из-за повышения нагрузки напряжение начало снижаться, то схема управления увеличивает интервал открытого состояния ключей, не снижая частоты (метод широтно-импульсного регулирования). Если напряжение надо уменьшить (в том числе, для ограничения выходного тока), время открытого состояния ключей уменьшается.
Как подобрать компоненты
Для трансформаторного источника подбирается, в первую очередь, трансформатор. В большинстве случаев он берется готовый из того, что есть. Этот узел должен выдавать требуемый ток при максимальном напряжении. Сочетание этих параметров обеспечивается габаритной мощностью трансформатора. Для промышленных устройств параметры можно узнать из справочника. Для случайных трансформаторов мощность можно определить по размерам сердечника (в сантиметрах).

Площадь сердечника для разных типов трансформаторов.
Мощность вычисляется по формуле:
P=S2/1.44 где:
- P-мощность в Ваттах;
- S- сечение в квадратных сантиметрах.
Для практических целей мощность надо еще умножить на КПД. Для примера, трансформатор с площадью сердечника 6 кв.см. при напряжении 35 вольт и выходном напряжении стабилизатора 30 вольт (общий КПД можно взять 0.75) способен отдать мощность P=(36/1.44)*0.75=18.75 ватт. Наибольший ток при этом составит I=P/U=18.75/35=0,5 А.
Если трансформатор проходит по мощности, но вторичная обмотка рассчитана на другое напряжение, ее можно удалить и намотать новую (если уместится). Количество витков рассчитывается так:
- определяется количество витков на вольт по формуле 50/S, где S – площадь сердечника в кв.см.;
- эта величина умножается на необходимый уровень напряжения.
Так, для площади 6 см на 1 вольт приходится 50/6=8,3 витка на вольт. Для напряжения 35 вольт обмотка должна иметь 35*8,3=291 виток. Диаметр провода рассчитывается по формуле D=0,02, где I – ток в миллиамперах. Для тока в 5 ампер надо взять провод диаметром 0,02*=70*0,02=1,4 мм.
Если для линейного регулятора подбирается мощный транзистор, основной критерий для применения – ток коллектора. Он должен с запасом перекрывать ток нагрузки. Этот параметр для распространенных отечественных и зарубежных транзисторов приведен в таблице.
ТранзисторНаибольший ток коллектора (постоянный), А
| КТ818 (819) | 10 |
| КТ825 (827) | 20 |
| КТ805 | 5 |
| TIP36 | 25 |
| 2N3055 | 15 |
| MJE13009 | 12 |
При работе в режимах, близких к максимальному току, транзисторы обязательно должны быть установлены на радиаторах.
Также надо обратить внимание на такой параметр, как максимальное напряжение между коллектором и эмиттером. При входном напряжении 35 вольт и выходном 1,5 разница составит 33,5 вольт, для некоторых полупроводниковых приборов это недопустимо.
Емкость оксидного конденсатора, стоящего после выпрямителя, выбирается исходя из нагрузки. Существуют формулы для расчета параметров фильтра, но на практике подход простой: чем больше, тем лучше. Сверху на емкость наложено два ограничения:
- габариты конденсатора;
- бросок тока на заряд, который может быть значительным при большой емкости.
Выходной конденсатор БП может иметь емкость около 1000 мкФ.
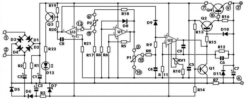
Лабораторный блок питания — пошаговая сборка
Первым делом необходимо выбрать подходящий мощный трансформатор. Для нашего блока им станет ТПП-319. Перед сборкой необходимо как следует его нагрузить и проверить, как он держит нагрузку, и какой максимальный ток он способен выдать.
После подготовки и подключения трансформатора, а также диодного моста BR1, необходимо установить на его выход конденсатор С1 и приступать к плате.

Плату блока питания для самостоятельного изготовления можно скачать в конце статьи в формате lay.
Шаг. 1 Установка элементов, отвечающих за регулировку напряжения
Устанавливаем предохранитель F1. Резистор R1 временно заменяем перемычкой. Далее устанавливаем стабилизатор с регулируемым выходным напряжением LM317. Также на свои места устанавливаем R4 и R6 и подключаем переменный резистор Р3. На плате вместо Р4 устанавливаем временную перемычку на минус блока.
Сейчас мы подключаем основу блока – детали, отвечающие за регулировку напряжения. Выходное напряжение на стабилизаторе LM317 зависит от делителя напряжения, собранного на R6 и Р3.
На выходе мы получим регулируемое стабилизированное напряжение от 1,2 В. Максимальный ток, который сейчас может пропустить через себя LM317 это 1,5 А. Сейчас можно закрепить небольшой радиатор на LM317 и нагрузить выход БП нагрузкой. Важно на данном этапе не перегружать БП, выходной ток не должен превышать 0,5 А т.к. LM317 будет очень сильно нагреваться.
Шаг. 2 Установка конденсаторов фильтра
Устанавливаем конденсаторы С3; С4; С8 — С12. После установки С9 регулировка напряжение станет более плавной. По выходным характеристиками на данном этапе блок остается без изменений.
Шаг. 3 Подключение силовых транзисторов
Снимаем перемычку, установленную вместо резистора R1. Устанавливаем R1 на свое место. Подключаем транзисторы Т1-Т2 и балансировочные резисторы R7 — R8. Устанавливаем R5. R5 – выполняет роль шунта. В дальнейшем LM301 будет отслеживать падение напряжения на нем.
При небольшой нагрузке ток будет идти через LM317, а при увеличении нагрузки из-за падения напряжения на R1 (на 0,6-0,8 В) откроются транзисторы. Транзисторы необходимо установить на хороший радиатор с принудительным охлаждением. На выходе будет регулировка напряжения от 1,2-30 В, но без ограничения тока. Важно! Пока не закончена сборка блока, не устраивать короткое замыкание на выходе БП.
Шаг. 4 Балансировка транзисторов
Работу пары транзисторов необходимо сбалансировать, для этого нагружаем блок. Выходной ток лучше не превышать 3 А. Измеряем ток, проходящий через транзистор Т1, затем через транзистор Т2. Амперметр поочередно подключаем в коллекторную цепь каждого из транзисторов. Если ток примерно одинаковый, переходим к шагу №5. Если перекос тока значительный, необходимо с помощью R7 и R8 добиться максимально близких значений. В качестве нагрузки лучше использовать нихромовую проволоку или спираль от ТЭНа.
Как показывает практика, если пара транзисторов из одной партии и новая, то скорей всего ток, проходящий через каждый транзистор, будет одинаковым.
Если транзисторы отказываются работать в паре, но работают в этой схеме нормально по отдельности — следует уменьшить R1 до 10 Ом.
Шаг. 5 Подключение питания для ОУ и периферии
В следующем шаге мы поработаем над питанием LM301 и периферийных устройств. Для питания вентилятора и цифрового вольтамперметра используется стабилизатор 7812. Питание для него берется с основного моста BR1, а на выходе мы уже получим стабилизированное напряжение 12 В. Также на выходе 7812 устанавливается конденсатор С13. Стабилизатор 7812 желательно установить на небольшой радиатор.
Для формирования отрицательного питания LM301 используется отдельная обмотка трансформатора, которая подключается к диодному мосту BR2 и конденсатору С2(положительный вывод конденсатора подключается на минус блока). Далее напряжение поступает на стабилизатор отрицательной полярности 7905. Важно учесть, что напряжение на входе стабилизатора должно быть порядка 7-9 В. На выходе 7905 устанавливается конденсатор С14.
После установки необходимо произвести замеры напряжения относительно минуса БП. Черный щуп мультиметра подключается на минус блока, а красный на выход стабилизатора 7905. Показания должны быть – 5 В (минус 5 вольт). На выходе 7812 должно быть 12 В.
Шаг. 6 Установка операционного усилителя и элементов стабилизации тока
Устанавливаем LM301, переменный и подстроечный резистор Р1 и Р2, конденсатор С5;С6;С7, резисторы R2; R3, а также диоды D1; D2 и светодиод LED1. Не забываем поставить перемычку на плате идущую от Р2 .
Пара слов о работе операционного усилителя в этом лабораторном блоке питания. LM301 в данном блоке работает в режиме компаратора. R5 – выполняет роль шунта, LM301 отслеживает на нем падение напряжения.
С помощью делителя, состоящего из резисторов Р1; Р2 и R3, устанавливается на инвертирующем входе опорное напряжение. Если напряжение на инвертирующем входе больше, чем на неинвертирующем на разницу, не превышающую опорное напряжение, на выходе LM301 будет напряжение равное напряжению питания LM301 (такое же, как и на выходе БП). Светодиод не загорится, так как включен обратной полярностью. Как только напряжение на инвертирующем входе превысит напряжение на неинвертирующем, на разницу значения опорного напряжения, то на свой выход ОУ подаст -5V и светодиод загорится. Напряжение отрицательной полярности проходит через LED1 и D1 попадает на управляющий вывод LM317. Вывод частотной коррекции LM301, включенный через диод D2 на выход блока питания, гасит напряжение на выходе ОУ до безопасного для светодиода LED1 уровня.
Таким образом, вращая потенциометр Р1, можно изменять опорное напряжение на инвертирующем входе и соответственно ограничивать ток, проходящий через R5.
На данном этапе о правильной работе LM301 можно судить, когда Р2 или Р1 будет установлен в крайнем минимальном положении, при этом загорится светодиод, а напряжение на выходе блока сбросится на ноль. На этом этапе лабораторный блок питания готов на 90%.
Шаг. 7 Установка нуля
Для регулировки напряжения LM317 он нуля вольт на таком лабораторном блоке питания, будем заимствовать идею, описанную производителем LM117. Тут для регулировки от нуля вольт используется опорное стабилизированное напряжение – 1,2 В (минус 1,2 В).
Как видим, в первоисточнике используется источник опорного напряжения LM113. Его можно заменить современным аналогом LMV431, который лучше согласован с LM317 и имеет опорное напряжение – 1,24 В (минус 1,24 В). Но, при использовании такого подхода возникнет проблема с покупкой LMV431, зачастую магазины везут ее только под заказ и не в самые короткие сроки.
С учетом того, что отрицательное питание LM301 в нашем блоке и так стабилизированное с помощью 7905, то нам достаточно установить делитель напряжения состоящий из R9 и Р4. А с помощью Р4 уже можно добиться значения — 1,25 В (минус 1,25 В) на делителе.
Снимаем временную перемычку, установленную вместо Р4. Устанавливаем R9 и Р4 на свои места. Переводим Р1 и Р2 в средние положения. Р4 устанавливаем в крайнее положение так, что бы его сопротивление было минимальным и включаем блок. С помощью Р3 мы устанавливаем минимальное выходное напряжение блока, оно будет 1,2 В. Далее, увеличивая сопротивление Р4, добиваемся значение 0 В на выходе блока. Теперь доступный диапазон регулировки напряжения составляет 0-30 В.
Шаг. 8 Установка защитных диодов
Устанавливаем диоды D3 и D4. D3 будет защищать вход блока от всплесков напряжений обратной полярности, т.к. эксплуатация лабораторного блока будет происходить в различных условиях. D4 защищает выход LM317 от ситуаций, когда напряжение на выходе LM317 превышает напряжение на ее входе.
Шаг. 9 Настройка ограничения максимального тока
- Выставляем на блоке 12В.
- Р2 устанавливаем на максимум (т.е. регулировка тока включена максимальная) — на выходе 12 В.
- Р1 — на минимум (подстройка максимального тока) т.е. выходной ток будет ноль и напряжение упадет до 0 — горит светодиод.
- Берем нихромовую спираль сопротивлением 2 Ом. и подключаем ее к выходу.
- С помощью Р1 начинаем регулировать ток. Когда на выходе 5 А, можно остановиться. В это время вольтметр будет показывать 10 В.
Теперь с помощью Р2 будет доступный диапазон тока 0 — 5 А. Это самый простой метод, который можно рекомендовать для настройки максимального тока такого лабораторного блока питания.
Шаг. 10 Подключение вольтамперметра
При подключении вольтамперметра питание прибора стоит брать со стабилизатора 7812. Отрицательный выход блока на выходную приборную клемму подключается уже через вольтамперметр.
Для точной (тонкой) регулировки тока и напряжения можно ввести дополнительные переменные резисторы номиналом около 5% от основного регулятора. Например, с Р3 можно подключить последовательно переменный резистор на 220 Ом, а с Р2 можно подключить последовательно переменный резистор на 20 кОм и повторно произвести настройку ограничения тока.
Вот таким получился лабораторный блок питания своими руками. Приносим огромную благодарность Владимиру Сметанину , который не побоялся собрать прототип платы и героически преодолел все трудности сборки блока, чтобы предоставить действительно интересные материалы!

Благодаря Владимиру, лабораторный блок питания имеет индивидуальную лицевую панель, созданную с помощью ЧПУ фрезеровки.
Как собрать лабораторный блок из китайских модулей
На торговых площадках в интернете можно приобрести готовые китайские модули, на основе которых можно построить неплохой лабораторный источник питания.
ЛБП строится по структуре линейного источника, но составляющие имеют совершенно другой принцип работы. Так, вместо обмоточного трансформатора можно применить плату WX-DC2416 36V-5, которая при питании от сети 220 вольт переменного тока на выходе выдает 36 вольт постоянного при токе до 5 А.

Плата импульсного преобразователя 220VAC/26VDC.
В качестве стабилизатора можно применить плату на базе микросхемы LM2596. В продаже имеется несколько вариантов таких плат, удобнее всего использовать модуль с готовым техническим решением по регулировке максимального тока. Отличить такой модуль можно по наличию трех (а не одного) подстроечных резисторов на плате.

Плата на базе LM2596 с регулировкой максимального тока, расположение выводов и потенциометров.
При подаче на вход 35 вольт путем регулировки на выходе можно получить 1,5..30 вольт постоянного напряжения. Производитель декларирует наибольший ток в 3 ампера, но на практике уже при токах, превышающих 1 А микросхема начинает греться. Для отдачи максимальной мощности нужен дополнительный радиатор достаточной площади. Есть сведения, что микросхема комфортно работает и при нагрузке до 4 А при условии организации принудительного обдува теплоотвода.
Для оперативной регулировки надо выпаять два крайних подстроечных резистора и заменить их потенциометрами, которые надо вывести на переднюю панель блока питания. Чтобы получился полноценный блок питания надо добавить еще прибор для измерения тока и напряжения. Его также можно приобрести через интернет. Удобнее применять измеритель в едином блоке, чем два прибора отдельно.

Цифровой блок вольтметр-амперметр.
Осталось только добавить тумблер питания, клеммник для подключения потребителя, связать модули в единую систему и поместить в корпус. По габаритам неплохо подойдет корпус от неисправного компьютерного блока питания.

Соединение китайских модулей в БП.
Некоторые пользователи жалуются, что выходное напряжение грязновато. Это не удивительно, ведь блок питания импульсный. Если это не устраивает владельца БП, можно попробовать исправить проблему установкой дополнительных конденсаторов (показаны на схеме). Емкость подбирается экспериментально, но не менее 1000 мкФ.
Для наглядности рекомендуем к просмотру серию тематических видеороликов.
Лабораторный источник питания при самостоятельном изготовлении обходится совсем недорого. Многие комплектующие могут быть извлечены из куч радиохлама, имеющегося у каждого любителя электронных самоделок. Но служить ЛБП будет долго и принесет большую пользу.

Как повысить прочность, надежность
Регулируемый блок питания, собранный своими руками по всем правилам и рекомендациям, должен выдерживать нагрузку на протяжении 2 часов. По прошествии указанного количества времени производится замер температуры корпуса устройства, проверка работоспособности системы охлаждения.

Советы по оформлению корпуса
Корпус Kradex Z4A позволяет выводить элементы управления и индикации, как на лицевую, так и на боковые панели. Ручки регулировки, индикатор лучше всего устанавливать на лицевую панель. Разъем для выходного напряжения можно крепить где угодно.
Внешний вид самодельного ИБП
Собранный своими руками лабораторный блок питания с использованием мощных полевых транзисторов и импульсных трансформаторов незаменим для работы. В качестве индикаторов желательно использовать цифровые электронные ампервольтметры.
Помехи
Более того, в некоторых случаях помехи, которое создает устройство, делают его бесполезным в определенных ситуациях.

Для того, чтобы нивелировать помехи, созданные самим же блоком, устанавливают специальные фильтры. Их задача поглощать помехи, создаваемые мощным блоком питания. За счет присутствия в конструкции этого элемента, удается существенно улучшить картинку на экране.

Кроме тех помех, которые блок питания производит самостоятельно в процессе работы, его необходимо защищать от внешних помех, от него независящих. В заводских блоках питания, как правило, имеется встроенный сетевой фильтр. Он способен работать в обоих направлениях, в прямом и обратном. Успешно ослабляет входящие, исходящие помехи.

Плюсы и минусы
К плюсам можно отнести относительно небольшой вес устройства, довольно большой коэффициент полезного действия. Если сравнивать итоговую сумму, которую можно потратить приобретая комплектующие с заводским аналогом, то такой бп очень выгоден за счет маленькой стоимости.

Также стоит отметить в плюсах широкий интервал напряжения питания. Кроме этого, в блоке питания могут быть встроенные датчики блокирования, на случай если устройство вдруг перегреется.

Помимо плюсов у этого устройства есть и минусы. Самым главным является создание помех, которые потом уходят в окружающий мир. Это происходит во время преобразования импульсов в пониженное напряжение. После того, как начинают появляться помехи, возникает необходимость подавить помехи.

Фото лабораторных блоков питания своими руками








